Bản vẽ cơ khí đóng vai trò cốt lõi trong toàn bộ quy trình thiết kế, chế tạo và lắp ráp sản phẩm cơ khí. Đây là phương tiện truyền đạt chính xác hình dạng, kích thước và yêu cầu kỹ thuật giữa người thiết kế và người thực hiện. Việc hiểu rõ cấu trúc và tiêu chuẩn bản vẽ giúp đảm bảo quá trình sản xuất diễn ra hiệu quả, đồng bộ và đúng kỹ thuật. Nắm vững kiến thức về bản vẽ cơ khí là yêu cầu cơ bản đối với kỹ sư, công nhân và bất kỳ ai tham gia vào lĩnh vực chế tạo máy.
Bản vẽ cơ khí là gì?
Bản vẽ cơ khí là tài liệu kỹ thuật thể hiện hình dạng, kích thước, kết cấu và yêu cầu kỹ thuật của chi tiết hoặc cụm máy. Đây là phương tiện giao tiếp quan trọng giữa người thiết kế và người gia công, đảm bảo quá trình chế tạo và lắp ráp đúng theo yêu cầu kỹ thuật.
Trong bản vẽ cơ khí, các chi tiết được trình bày bằng hệ thống hình chiếu, ký hiệu, dung sai, bề mặt gia công và vật liệu chế tạo. Mỗi bản vẽ đều tuân theo tiêu chuẩn quốc tế hoặc tiêu chuẩn quốc gia nhằm đảm bảo sự thống nhất và dễ hiểu trong môi trường làm việc kỹ thuật.
Bản vẽ cơ khí đóng vai trò quan trọng trong toàn bộ quá trình sản xuất từ thiết kế, gia công đến kiểm tra chất lượng. Nhờ vào bản vẽ, các kỹ sư, công nhân và bộ phận kỹ thuật có thể hiểu đúng cấu tạo sản phẩm, lựa chọn phương pháp gia công phù hợp và kiểm soát chất lượng trong từng công đoạn. Đây là công cụ không thể thiếu trong lĩnh vực thiết kế cơ khí, chế tạo máy và công nghiệp hỗ trợ.

Các loại bản vẽ cơ khí phổ biến
Bản vẽ cơ khí được phân loại dựa trên mục đích sử dụng trong quá trình thiết kế, chế tạo và lắp ráp sản phẩm cơ khí. Mỗi loại bản vẽ thể hiện một phần thông tin kỹ thuật khác nhau, phục vụ cho từng giai đoạn trong quy trình sản xuất.
Bản vẽ chi tiết
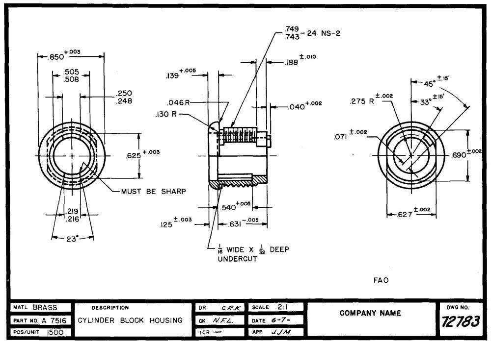
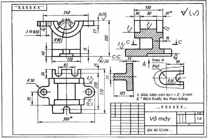
Bản vẽ chi tiết dùng để mô tả chính xác hình dạng, kích thước, vật liệu, dung sai và yêu cầu kỹ thuật của một chi tiết máy đơn lẻ. Đây là tài liệu đầu vào quan trọng cho quá trình gia công. Bản vẽ này thường thể hiện nhiều hình chiếu, mặt cắt và ghi đầy đủ thông tin công nghệ như độ nhám, yêu cầu xử lý nhiệt hoặc bề mặt.
Bản vẽ lắp ráp
Bản vẽ lắp ráp thể hiện mối quan hệ giữa các chi tiết trong một cụm hoặc toàn bộ sản phẩm. Nội dung bao gồm sơ đồ bố trí, thứ tự lắp ráp, ký hiệu chi tiết và danh sách vật tư (BOM). Bản vẽ này giúp người kỹ thuật viên hiểu cách lắp các chi tiết lại với nhau đúng kỹ thuật và đúng trình tự.
Bản vẽ tổng thể
Bản vẽ tổng thể mô tả toàn bộ kết cấu của máy móc hoặc thiết bị. Nó cung cấp cái nhìn tổng quan về hình dạng, kích thước bao ngoài, các khối chức năng chính và vị trí lắp đặt. Đây là bản vẽ hỗ trợ quá trình thiết kế, kiểm tra không gian lắp đặt và làm cơ sở cho việc bảo trì, sửa chữa sau này.
Bản vẽ gia công
Bản vẽ gia công là phiên bản chi tiết có bổ sung các yếu tố công nghệ như trình tự cắt gọt, chuẩn định vị, phương pháp gá đặt và công cụ sử dụng. Đây là bản vẽ dành cho xưởng sản xuất và kỹ thuật viên vận hành máy, giúp đảm bảo các bước gia công thực hiện chính xác theo yêu cầu thiết kế.

Các thành phần cơ bản trong một bản vẽ cơ khí
Một bản vẽ cơ khí tiêu chuẩn luôn bao gồm các thành phần cơ bản giúp truyền đạt đầy đủ thông tin hình học, kích thước và yêu cầu kỹ thuật đến người gia công và lắp ráp.
- Khung tên: Nằm ở góc dưới bên phải bản vẽ, khung tên ghi thông tin như tên chi tiết, vật liệu, số lượng, tỉ lệ, người thực hiện và mã số bản vẽ. Đây là phần giúp quản lý và truy xuất nhanh chóng.
- Các hình chiếu: Thể hiện hình dạng chi tiết qua các mặt phẳng khác nhau như hình chiếu đứng, bằng, cạnh. Hình chiếu được bố trí chuẩn xác giúp người đọc hiểu rõ hình dáng tổng thể và chi tiết.
- Mặt cắt và hình cắt: Dùng để thể hiện cấu tạo bên trong chi tiết bằng cách “cắt” qua một mặt phẳng. Giúp thể hiện các rãnh, lỗ khoan hoặc khoang ẩn mà hình chiếu không thể hiện rõ.
- Kích thước và dung sai: Bao gồm các số đo chiều dài, đường kính, góc… cùng với dung sai cho phép. Dung sai đảm bảo chi tiết sau gia công đạt độ chính xác cần thiết khi lắp ráp.
- Ký hiệu kỹ thuật: Bao gồm các ký hiệu như ren, mối hàn, độ nhám, xử lý nhiệt… giúp truyền đạt yêu cầu công nghệ ngắn gọn, rõ ràng và dễ thực hiện.
- Ghi chú và chỉ dẫn công nghệ: Bổ sung thông tin cần thiết như phương pháp gia công, yêu cầu lắp ráp, hướng sử dụng hoặc điều kiện làm việc của chi tiết.

Xem thêm: Băng tải co rút nâng hạ
Tiêu chuẩn và quy ước trong bản vẽ cơ khí
Bản vẽ cơ khí cần tuân thủ các tiêu chuẩn và quy ước kỹ thuật để đảm bảo tính thống nhất, dễ đọc và chính xác trong quá trình sản xuất. Việc sử dụng đúng chuẩn giúp kỹ sư, công nhân và các bên liên quan hiểu đúng nội dung bản vẽ mà không cần giải thích thêm.
Tiêu chuẩn vẽ kỹ thuật áp dụng trong cơ khí
Trong bản vẽ cơ khí, các tiêu chuẩn phổ biến gồm ISO (quốc tế), TCVN (Việt Nam), JIS (Nhật Bản) hoặc DIN (Đức). Các tiêu chuẩn này quy định cụ thể về cách trình bày hình chiếu, nét vẽ, tỷ lệ, ghi kích thước, dung sai và ký hiệu kỹ thuật. Ở Việt Nam, bản vẽ cơ khí thường sử dụng TCVN, có nội dung hài hòa với ISO để thuận tiện trong hội nhập sản xuất toàn cầu.
Quy ước về nét vẽ và hình chiếu
Mỗi loại đường nét trên bản vẽ cơ khí mang ý nghĩa khác nhau. Nét liền đậm dùng để vẽ đường bao thấy, nét đứt thể hiện phần bị che khuất, nét gạch chấm thể hiện trục đối xứng hoặc quỹ đạo chuyển động. Việc tuân thủ đúng quy ước này giúp người đọc dễ nhận biết các chi tiết và cấu tạo của sản phẩm.
Cách ghi kích thước và dung sai
Kích thước phải được ghi rõ ràng, chính xác, đi kèm đơn vị (mm nếu không ghi rõ), sắp xếp hợp lý để tránh nhầm lẫn. Dung sai kích thước thể hiện sai lệch cho phép so với kích thước danh nghĩa. Dung sai có thể là dung sai đối xứng, dung sai giới hạn hoặc dạng kết hợp với ký hiệu chữ và số theo chuẩn.
Ký hiệu mối hàn, ren, độ nhám và xử lý bề mặt
Ký hiệu mối hàn quy định vị trí, loại mối hàn và phương pháp thực hiện. Ký hiệu ren thể hiện bước ren, đường kính và chiều dài ren. Độ nhám bề mặt được thể hiện bằng biểu tượng tam giác với giá trị Ra (µm). Xử lý nhiệt hoặc phủ bề mặt cũng có ký hiệu riêng để hướng dẫn công nghệ phù hợp.
Tỷ lệ bản vẽ
Tỷ lệ thể hiện mối quan hệ giữa kích thước bản vẽ và kích thước thực tế. Các tỷ lệ thường dùng là 1:1, 1:2, 2:1, 1:5… Việc chọn tỷ lệ phù hợp giúp thể hiện rõ chi tiết mà không làm bản vẽ quá lớn hoặc quá nhỏ.
Góc chiếu và hướng chiếu
Bản vẽ cơ khí thường sử dụng góc chiếu thứ nhất (kiểu châu Âu) hoặc góc chiếu thứ ba (kiểu Mỹ). Mỗi góc chiếu có quy ước riêng về cách bố trí hình chiếu đứng, bằng, cạnh… và phải được ghi chú rõ ràng trên bản vẽ.

Phần mềm hỗ trợ thiết kế bản vẽ cơ khí
Phần mềm thiết kế bản vẽ cơ khí đóng vai trò quan trọng trong quá trình tạo dựng, mô phỏng và hoàn thiện sản phẩm kỹ thuật. Việc sử dụng phần mềm phù hợp giúp kỹ sư rút ngắn thời gian thiết kế, tăng độ chính xác và cải thiện khả năng cộng tác giữa các bộ phận trong chuỗi sản xuất.
AutoCAD
AutoCAD là phần mềm thiết kế 2D và 3D nổi tiếng do Autodesk phát triển. Trong lĩnh vực cơ khí, AutoCAD được dùng rộng rãi để tạo các bản vẽ chi tiết, bản vẽ lắp và bản vẽ tổng thể với độ chính xác cao. Phần mềm hỗ trợ các công cụ vẽ hình học, ghi kích thước, tạo lớp và quản lý khung tên theo chuẩn kỹ thuật. AutoCAD phù hợp với thiết kế 2D truyền thống, dễ học và phổ biến trong môi trường giáo dục kỹ thuật.
SolidWorks
SolidWorks là phần mềm thiết kế 3D chuyên sâu cho ngành cơ khí. Giao diện trực quan, thao tác kéo thả linh hoạt và khả năng mô phỏng chuyển động giúp SolidWorks trở thành công cụ mạnh trong thiết kế chi tiết, cụm lắp ráp và bộ phận cơ cấu. Ngoài ra, phần mềm còn tích hợp tính năng phân tích lực, tính toán dung sai và xuất bản vẽ kỹ thuật 2D từ mô hình 3D. SolidWorks rất phù hợp cho các doanh nghiệp vừa và nhỏ trong lĩnh vực chế tạo máy và khuôn mẫu.
Autodesk Inventor
Inventor là giải pháp 3D mạnh mẽ khác đến từ Autodesk, tập trung vào thiết kế chi tiết máy, cụm cơ khí và mô phỏng động học. Inventor cho phép xây dựng mô hình chính xác, tạo bản vẽ lắp, xuất bản vẽ chế tạo và đồng bộ dữ liệu dễ dàng. Phần mềm còn hỗ trợ tạo thư viện chi tiết tiêu chuẩn, tự động hóa thiết kế lặp và kết nối tốt với AutoCAD. Inventor thường được sử dụng trong các công ty sản xuất lớn, nơi quy trình thiết kế cần tính chính xác và đồng bộ cao.
CATIA
CATIA là phần mềm thiết kế và mô phỏng cao cấp do Dassault Systèmes phát triển, phù hợp cho ngành hàng không, ô tô và cơ khí chính xác. CATIA tích hợp cả thiết kế mô hình, phân tích và quản lý vòng đời sản phẩm trong một nền tảng duy nhất. Điểm mạnh của CATIA là khả năng xử lý các mô hình phức tạp, dung lượng lớn và tương thích tốt với hệ thống PLM. Phần mềm được các tập đoàn lớn như Boeing, Airbus hay Toyota sử dụng trong thiết kế và phát triển sản phẩm.
NX (Siemens NX)
NX là giải pháp CAD/CAM/CAE toàn diện, đáp ứng đầy đủ các yêu cầu từ thiết kế sản phẩm đến gia công và kiểm tra kỹ thuật. NX có khả năng tạo mô hình 3D phức tạp, thiết kế khuôn và lập trình máy CNC trên cùng một nền tảng. Với tính năng mạnh mẽ và khả năng tùy biến cao, NX phù hợp với các doanh nghiệp lớn trong lĩnh vực cơ khí chính xác, hàng không và điện tử.

Kỹ năng đọc và hiểu bản vẽ cơ khí
Đọc và hiểu bản vẽ cơ khí là kỹ năng cơ bản nhưng quan trọng đối với kỹ sư, kỹ thuật viên và công nhân trong lĩnh vực cơ khí chế tạo. Nắm vững kỹ năng này giúp người thực hiện gia công, lắp ráp và kiểm tra sản phẩm đúng theo yêu cầu kỹ thuật, đảm bảo tiến độ và chất lượng sản xuất.
Xác định cấu trúc bản vẽ
Trước tiên, cần quan sát tổng thể bản vẽ để hiểu loại bản vẽ đang xem là bản vẽ chi tiết, bản vẽ lắp hay bản vẽ tổng thể. Người đọc cần chú ý đến khung tên, tên gọi chi tiết, tỷ lệ và vật liệu ghi rõ trong phần thông tin bên dưới hoặc góc phải bản vẽ.
Phân tích hình chiếu
Hình chiếu là phần thể hiện hình dạng và kết cấu chi tiết trên các mặt đứng, bằng và cạnh. Việc hiểu được hình chiếu giúp hình dung được hình khối 3D của chi tiết từ mặt phẳng 2D. Cần nhận biết mối liên hệ giữa các hình chiếu để xác định rõ vị trí lỗ, rãnh, bề mặt, góc cạnh.
Đọc kích thước và dung sai
Kỹ năng đọc kích thước bao gồm hiểu rõ cách ghi kích thước tổng thể, kích thước chi tiết và vị trí tương đối giữa các yếu tố. Dung sai được thể hiện dưới dạng giá trị ± hoặc ký hiệu theo tiêu chuẩn, cần đọc đúng để đảm bảo gia công đạt yêu cầu lắp ghép chính xác.
Hiểu ký hiệu kỹ thuật
Các ký hiệu như ren, mối hàn, độ nhám bề mặt hoặc xử lý nhiệt đều mang ý nghĩa kỹ thuật rõ ràng. Người đọc cần tra cứu hoặc ghi nhớ hệ thống ký hiệu tiêu chuẩn để hiểu chính xác yêu cầu chế tạo, tránh sai sót trong sản xuất.
Xác định quy trình lắp ráp và công nghệ
Với bản vẽ lắp, kỹ năng cần thiết là hiểu rõ thứ tự lắp, hướng lắp và mối liên hệ giữa các chi tiết. Nếu bản vẽ có ghi chú công nghệ, người đọc cần chú ý các bước gia công, chuẩn định vị, dung sai lắp hoặc yêu cầu sử dụng thiết bị chuyên dụng.
Áp dụng kiến thức thực tế
Việc đọc bản vẽ không chỉ phụ thuộc vào lý thuyết mà còn cần kết hợp với kinh nghiệm thực tế trong xưởng. Những người có kinh nghiệm sẽ dễ dàng hình dung được công đoạn gia công và phát hiện sớm những điểm chưa hợp lý trong bản vẽ để điều chỉnh kịp thời.

Những lỗi thường gặp trong bản vẽ cơ khí
Trong quá trình thiết kế kỹ thuật, bản vẽ cơ khí nếu không được kiểm soát kỹ dễ dẫn đến nhiều sai sót ảnh hưởng trực tiếp đến sản xuất, lắp ráp và kiểm tra.
- Thiếu hoặc sai kích thước: Không ghi đầy đủ kích thước quan trọng như kích thước tổng thể, khoảng cách tâm lỗ hoặc vị trí then khiến người gia công không thể thực hiện chính xác.
- Dung sai và độ nhám không phù hợp: Bỏ sót hoặc chọn sai dung sai, độ nhám bề mặt ảnh hưởng đến khả năng lắp ráp, độ bền và tính năng hoạt động của chi tiết.
- Dùng sai ký hiệu kỹ thuật: Sử dụng sai ký hiệu ren, mối hàn, dung sai hình học hoặc áp dụng sai tiêu chuẩn gây nhầm lẫn trong quá trình đọc hiểu và thi công bản vẽ.
- Hình chiếu và mặt cắt thiếu hợp lý: Sắp xếp hình chiếu rối, thiếu mặt cắt cần thiết hoặc thể hiện không rõ cấu trúc chi tiết làm giảm tính trực quan của bản vẽ.
- Không cập nhật phiên bản bản vẽ: Thay đổi thiết kế nhưng không cập nhật thông tin trên bản vẽ hoặc thiếu ghi chú chỉnh sửa dẫn đến sản xuất sai lệch.
- Thiếu bảng kê vật tư và thông tin lắp ráp: Với bản vẽ lắp, việc thiếu bảng BOM hoặc thông tin linh kiện gây khó khăn cho quá trình lắp đặt, bảo trì và kiểm soát vật tư.

Xem thêm: Hệ thống băng tải trong công nghiệp – Cấu tạo, phân loại và ứng dụng
Việc đọc hiểu và áp dụng đúng bản vẽ cơ khí không chỉ giúp sản xuất chính xác mà còn nâng cao năng suất, tiết kiệm thời gian và hạn chế lỗi. Khi bản vẽ được trình bày theo đúng tiêu chuẩn và truyền đạt đầy đủ thông tin, mọi công đoạn trong dây chuyền đều vận hành trơn tru. Đây là yếu tố cần thiết để duy trì chất lượng sản phẩm và cải thiện hiệu quả sản xuất. Mỗi doanh nghiệp cơ khí cần đầu tư đúng mức cho việc đào tạo và kiểm soát bản vẽ kỹ thuật.


